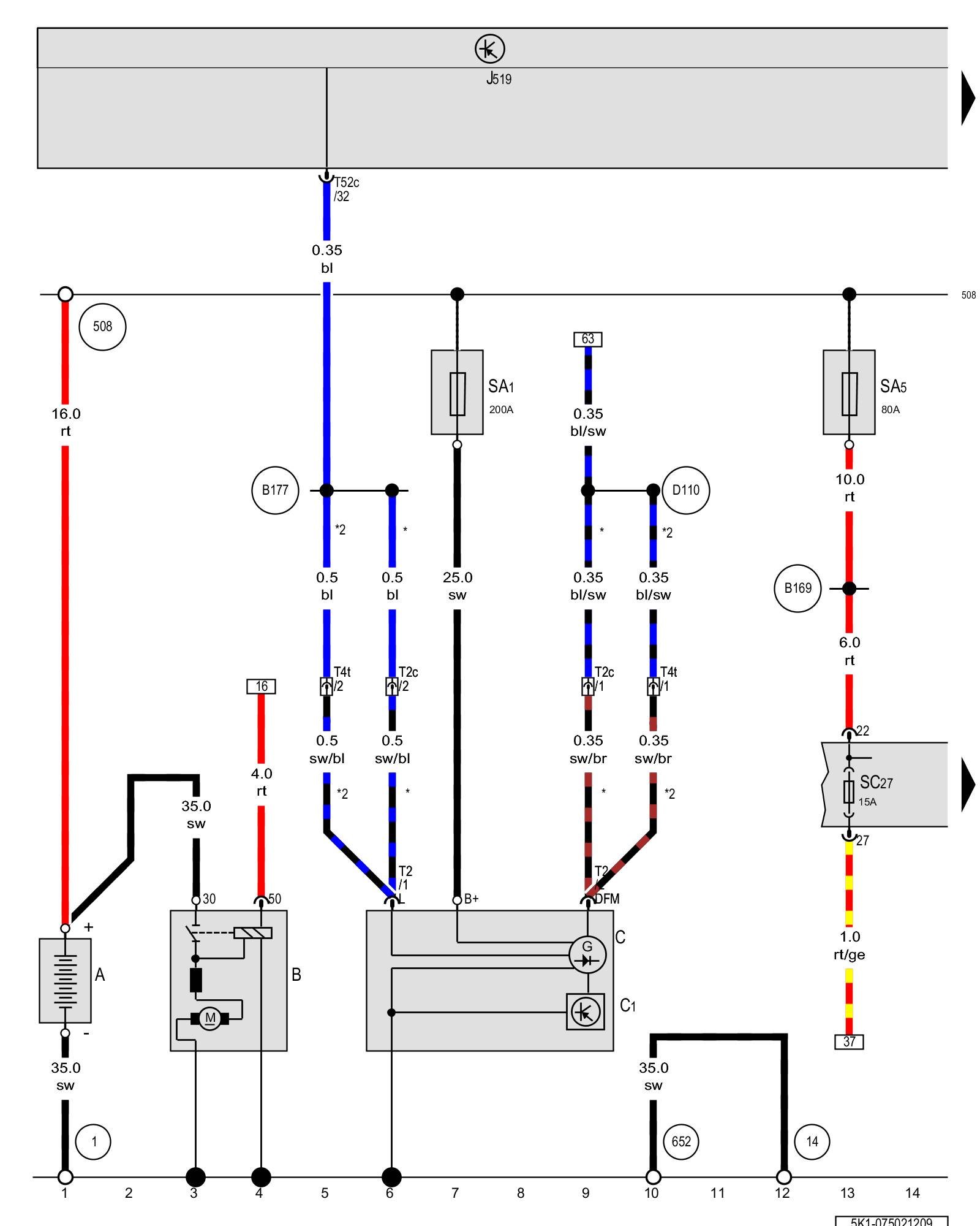
Diagram 75/2 (Tracks 1-14)
IMPORTANT NOTE:
This manufacturer uses "Track" style wiring diagrams.
For information on how to use these diagrams effectively, please refer to Diagram Information and Instructions. Diagram Information and Instructions
Battery, Starter, Generator, Fuse 1 (on fuse panel A), Fuse 5 (on fuse panel A)

ws = white
sw = black
ro = red
br = brown
gn = green
bl = blue
gr = grey
li = lilac
ge = yellow
or = orange
rs = pink
A - Battery
B - Starter
C - Generator
C1 - Voltage regulator
J519 - Vehicle electrical system control module Control modules in front part of vehicle - Overview of Control Modules
SA1 - Fuse 1 (on fuse panel A) Fuse overview (SA), (SB), (SC)
SA5 - Fuse 5 (on fuse panel A) Fuse overview (SA), (SB), (SC)
SC27 - Fuse 27 (on fuse panel C) Fuse overview (SA), (SB), (SC)
T2 - Double connector
T2c - Double connector, near the starter Overview of connector stations and connectors
T4t - 4-pin connector, near the starter Overview of connector stations and connectors
T52c - 52-pin connector
(1) - Ground strap, battery to body
(14) - Ground connection on transmission
(508) - Terminal 30 threaded connection (on E-box)
(652) - Transmission/engine ground connection
(B169) - Positive connection 1 (30) (in interior wiring harness)
(B177) - Connection (61) (in interior wiring harness)
(D110) - Connection (8) (in engine compartment wiring harness)
* - Only for vehicles without an A/C system
*2 - Only for vehicles with A/C system
Next Diagram 75/3 (Tracks 15-28)