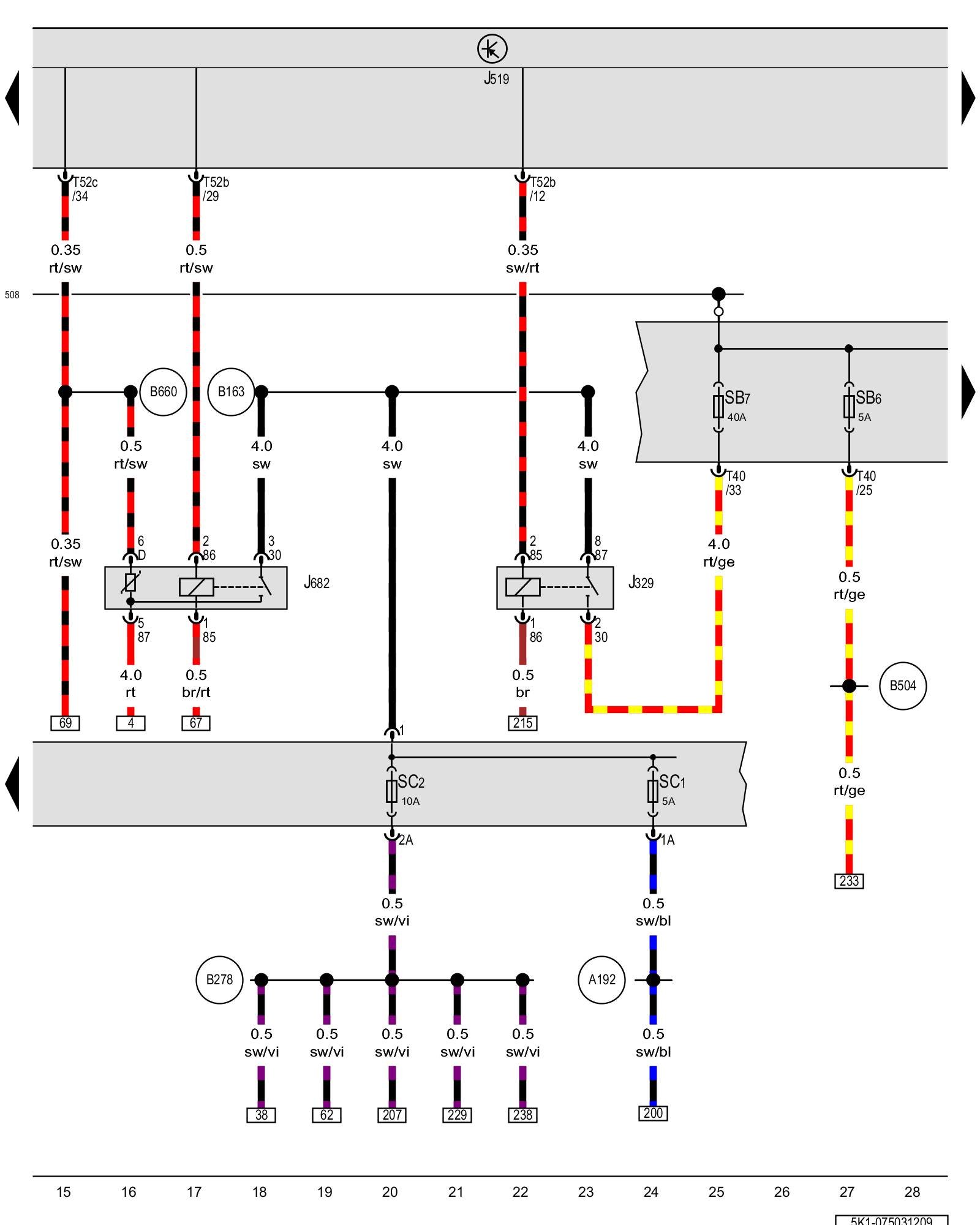
Diagram 75/3 (Tracks 15-28)
IMPORTANT NOTE:
This manufacturer uses "Track" style wiring diagrams.
For information on how to use these diagrams effectively, please refer to Diagram Information and Instructions. Diagram Information and Instructions
Terminal 15 power supply relay, Terminal 50 power supply relay

ws = white
sw = black
ro = red
br = brown
gn = green
bl = blue
gr = grey
li = lilac
ge = yellow
or = orange
rs = pink
J329 - Terminal 15 power supply relay Overview Of Relay Carrier
J519 - Vehicle electrical system control module Control modules in front part of vehicle - Overview of Control Modules
J682 - Terminal 50 power supply relay Overview Of Relay Carrier
SC1 - Fuse 1 (on fuse panel C) Fuse overview (SA), (SB), (SC)
SC2 - Fuse 2 (on fuse panel C) Fuse overview (SA), (SB), (SC)
SB6 - Fuse 6 (on fuse panel B) Fuse overview (SA), (SB), (SC)
SB7 - Fuse 7 (on fuse panel B) Fuse overview (SA), (SB), (SC)
T40 - 40-pin connector
T52b - 52-pin connector
T52c - 52-pin connector
(508) - Terminal 30 threaded connection (on E-box)
(A192) - Positive connection 3 (15a) (in instrument panel wiring harness)
(B163) - Positive connection 1 (15) (in interior wiring harness)
(B278) - Positive connection 2 (15a) (in main wiring harness)
(B504) - Positive connection 8 (30a) (in interior wiring harness)
(B660) - Diagnostic terminal 50 connection (in main wiring harness)
Previous Diagram 75/2 (Tracks 1-14)
Next Diagram 75/4 (Tracks 29-42)