Operation CHARM: Car repair manuals for everyone.

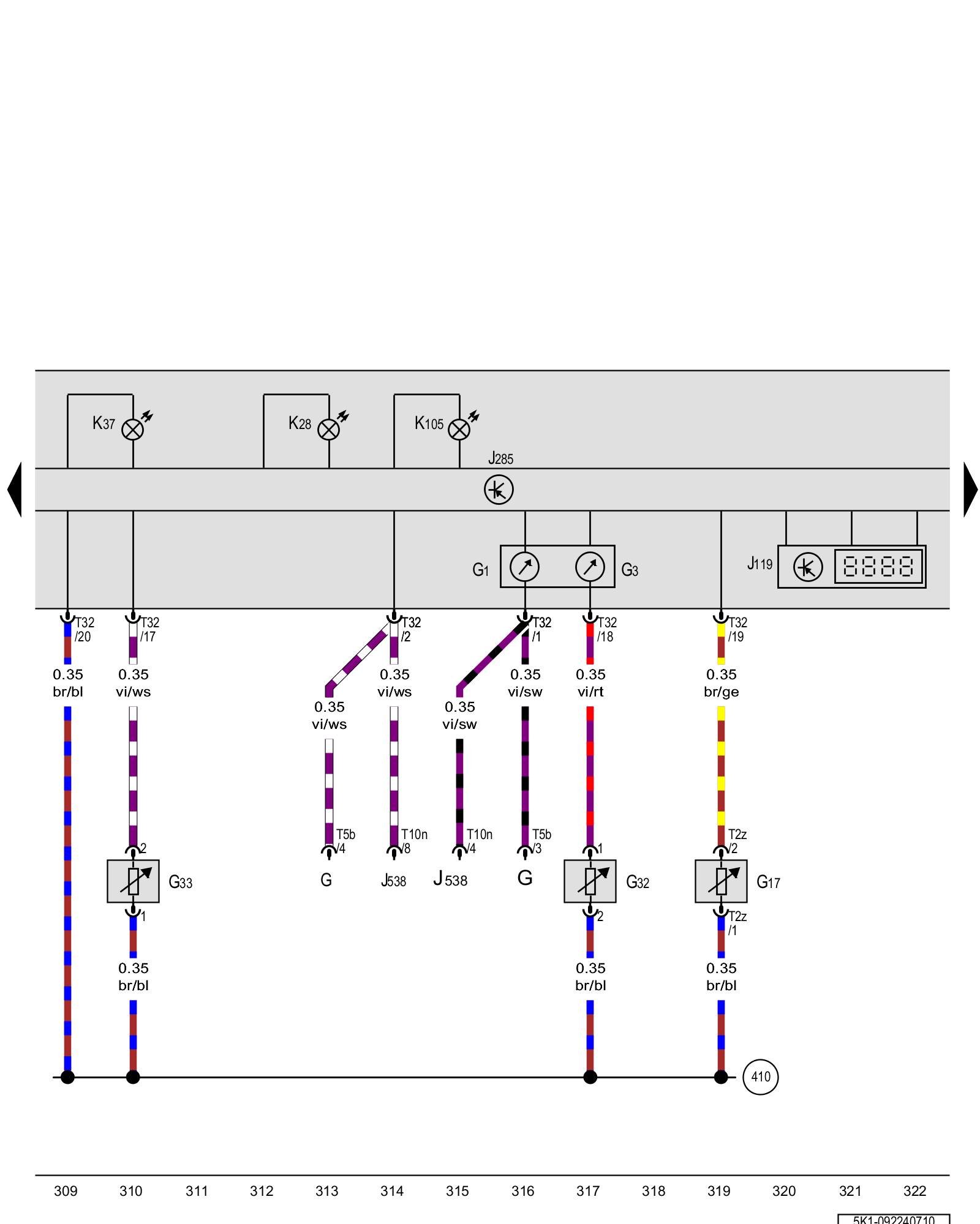
Diagram 92/24 (Tracks 309-322)






IMPORTANT NOTE:
This manufacturer uses "Track" style wiring diagrams.
For information on how to use these diagrams effectively, please refer to Diagram Information and Instructions. Diagram Information and Instructions


Fuel gauge, Engine coolant temperature gauge, Outside air temperature sensor, Engine coolant level sensor, Windshield washer fluid level sensor, Multifunction indicator, Instrument cluster control module, Engine coolant level/temperature indicator lamp, Windshield washer fluid level indicator lamp





ws = white
sw = black
ro = red
br = brown
gn = green
bl = blue
gr = grey
li = lilac
ge = yellow
or = orange
rs = pink

G - Fuel level sensor Fuel Pumps and Sensors

G1 - Fuel gauge

G3 - Engine coolant temperature gauge

G17 - Outside air temperature sensor Locations

G32 - Engine coolant level sensor Cooling System Components Overview

G33 - Windshield washer fluid level sensor

J119 - Multifunction indicator

J285 - Instrument cluster control module

J538 - Fuel pump control module Control Modules in The Rear Of The Vehicle

K28 - Engine coolant level/temperature indicator lamp

K37 - Windshield washer fluid level indicator lamp

K105 - Low fuel level indicator lamp

T2z - Double connector

T5b - 5-pin connector

T10n - 10-pin connector

T32 - 32-pin connector

(410) - Sensor ground connection 1 (in main wiring harness)

Previous Diagram 92/23 (Tracks 295-308)

Next Diagram 92/25 (Tracks 323-336)